DAB CM 50-630 T - IE3
Характеристики
Артикул
—
60180070
Страна производства
—
Италия
Материал корпуса
—
Чугун
Уплотнение
—
EPDM
Тип присоединения
—
Фланцевое
730 215 тенге
Рассчитать доставку
AVV Industrial – это:
- профессиональное участие в шефмонтаже и пуско-наладке;
- гарантийное и после гарантийное обслуживание;
- разработка программ сервиса оборудования;
- инжиниринговый консалтинг, проектирование оптимальных к внедрению производственных решений;
- все на условиях DDP (до дверей);
- на складе и под заказ.
Насос CM 50-630 T разработан специально для индивидуальных и коллективных систем отопления и кондиционирования. Рабочий диапазон. Производительность: от 1,2 до 420 куб.м/ч, напор – до 41 м. водяного столба. Максимальное рабочее давление: 16 бар. Перекачиваемая жидкость. Состав: чистая, без твердых включений и минеральных масел, не вязкая, химически нейтральная, по характеристикам аналогичная воде. Температура: от –10°С до +140°С. Основные материалы. Гидравлический корпус и опора двигателя – чугун, рабочее колесо – технополимер или чугун, ротор – нержавеющая сталь, уплотнение – EPDM, торцевое уплотнение вала – графит/керамика или графит/карбид кремния. Особенности. Для двигателей необходимо предусмотреть внешнюю защиту от перегрузки. Сдвоенные модели имеют встроенный обратный клапан. Монтаж. Вал двигателя – в горизонтальном положении или вертикальном выше гидравлического корпуса при мощности двигателя до 11 кВт. При мощности двигателя свыше 11 кВт – вал двигателя в вертикальном положении. Стандартное электропитание: 3x230–400 В, 3x400 В. Степень защиты: IP 55. Класс изоляции: F.
Артикул
60180070
Страна производства
Италия
Материал корпуса
Чугун
Уплотнение
EPDM
Тип присоединения
Фланцевое
Модель насоса
CM 50-630 T - IE3
Напряжение, В
3х400
Мощность Р, кВт, макс
0,75
Номинальный ток, А
1,1
Вес, кг
46,6
Напор H, м, макс
6,2
Расход Q, м³/ч, макс
6
Напор H, м, ном
5,8
Расход Q, м³/ч, ном
4,8
Диаметр DN, мм
50
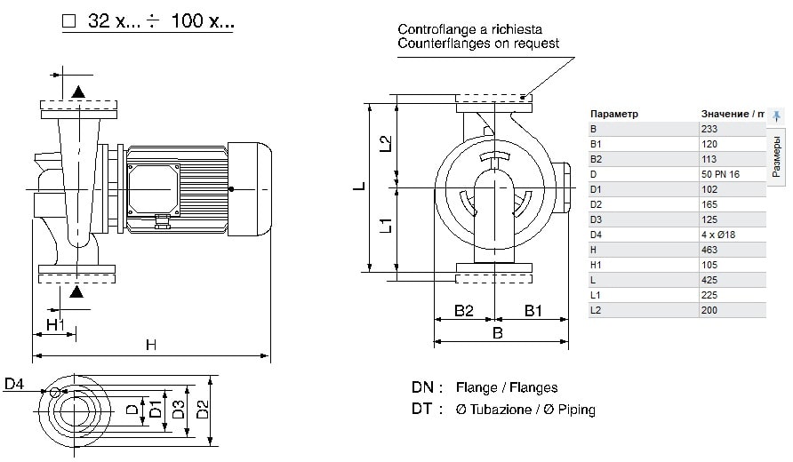
Размеры (Д*Ш*В), мм
325*233*463
Материал рабочих колес
Технополимер B
Класс защиты двигателя, (IP)
55
Тип насоса
Насосы с сухим ротором "in-line"
Ротор
Нержавеющая сталь
Загрузка отзывов...
Добавить отзыв
Оплачивайте покупки удобным для вас способом:
1. Оплата наличными в магазине
Адрес магазина:
г. Алматы, мкр. Айгерим-1, ул. Саги Ашимова, 243, корпус 1.
2. Оплата банковскими картами Visa и MasterCard онлайн
1. Оплата наличными в магазине
Доступно только для жителей города Алматы.
Адрес магазина:
г. Алматы, мкр. Айгерим-1, ул. Саги Ашимова, 243, корпус 1.
2. Оплата банковскими картами Visa и MasterCard онлайн
Платежи осуществляются через систему интернет-эквайринга Epay (АО «ForteBank»).
Дополнительная комиссия не взимается — вы оплачиваете только стоимость выбранного товара.
Способы доставки
1. Самовывоз со склада или магазина в г. Алматы — бесплатно
1. Самовывоз со склада или магазина в г. Алматы — бесплатно
После оформления заказа дождитесь звонка менеджера интернет-магазина.2. Доставка по г. Алматы — до подъезда
Только после подтверждения готовности товара к выдаче вы можете забрать его по адресу:
г. Алматы, мкр. Айгерим-1, ул. Саги Ашимова, 243, корпус 1
Режим работы: Пн–Пт: 09:00–17:00, Сб–Вс: выходной.
Стоимость доставки для заказов весом до 20 кг: 3 500 ₸.
Обратите внимание:
Компания оставляет за собой право изменить стоимость доставки в случае, если адрес находится за пределами улиц Аль-Фараби, Саина, Рыскулова и ВОАД.
Доступные цены на лучшие бренды
Доставка по Казахстану
Гарантия качества от производителей
